prev
  • 제품 상세보기
  • 제품 상세보기
  • 제품 상세보기
  • 제품 상세보기
  • 제품 상세보기
  • 제품 상세보기
next
  • 고압세척기
  • 제작형고압세척기
  • 엔진형고압세척기
  • 냉온수고압세척기
  • 엔진분무기
  • 고압펌프
  • 스팀세척기
  • 안개분무기/차단방역
  • 전기식동력분무기
  • 고압분무기 헤트펌프
  • 엔진식동력분무기
  • 수동분무기
  • 바닥청소기
  • 진공청소기
고객센터 010-3244-5641 한국비엔씨 즐겨찾기 추가

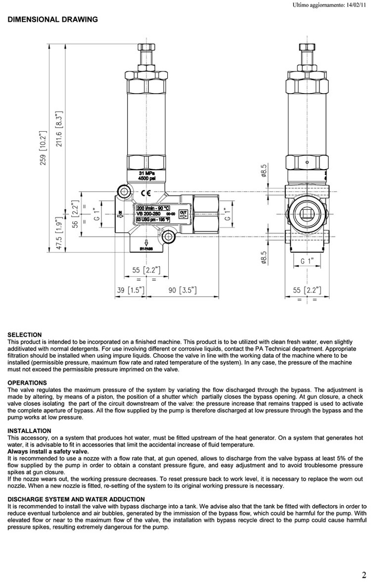
바이패스[압력조절기]

HOME > 제품소개 > 바이패스[압력조절기]
상품확대보기

압력조절밸브 VB200/280

정 가 : won0원
판매가 : won0원
제조원 : 이태리-PA사
구매수량 :
장바구니 담기 즉시구매 관심상품 등록
  • 압력(bar) : 310bar

    토출량(l/min) : 200lpm

제품특징