본문 바로가기
주메뉴 바로가기
회원가입
로그인
장바구니
주문/배송조회
마이페이지
공지사항
주메뉴
회사소개
제품소개
견적신청
A/S신청
FAQ
사용설명서
고객센터
고압세척기
냉수고압세척기[단상220V]
냉수고압세척기[삼상380V]
냉온수고압세척기[온수]
엔진형고압세척기[엔진]
제작형고압세척기[모터]
액세서리[고압세척기]
고압건
렌스
노즐
고압호스
체크밸브
패킹
바이패스[압력조절기]
이태리펌프
이태리모터
흡입휠터
압력게이지.기타
세제/품건
고압분무기
전기식동력분무기[모터]
엔진식동력분무기[엔진]
수동식동력분무기
엔진분무기/비료살포기
충전식 분무기
헤드펌프
모터/엔진
분무기 부자재
고압분무기 건
고압분무기 호스
호스릴[소중대]/분무기차대
압력조절기
기타
안개분무시스템
화훼농가
비닐하우스
축사,돈사,양계
악취저감
쿨미스트
제품소개
쿨미스트선풍기
차단방역
차단방역시스템
바닥청소차
보행식바닥청소기[건습식]
탑승식바닥청소기[건습식]
건식 바닥청소기
밧데리/충전기
액세서리
진공청소기/청소장비
산업용 진공청소기
카페트 진공청소기
기름걸레차(리스킹카)
액세서리 [청소기부품]
마루광택/대리석연마기
세제/왁스
액세서리[청소기부품]
청소용품
스팀세척기
스팀세척기
액세서리
중고 장비판매
중고 청소장비
바이패스[압력조절기]
> 제품소개 >
바이패스[압력조절기]
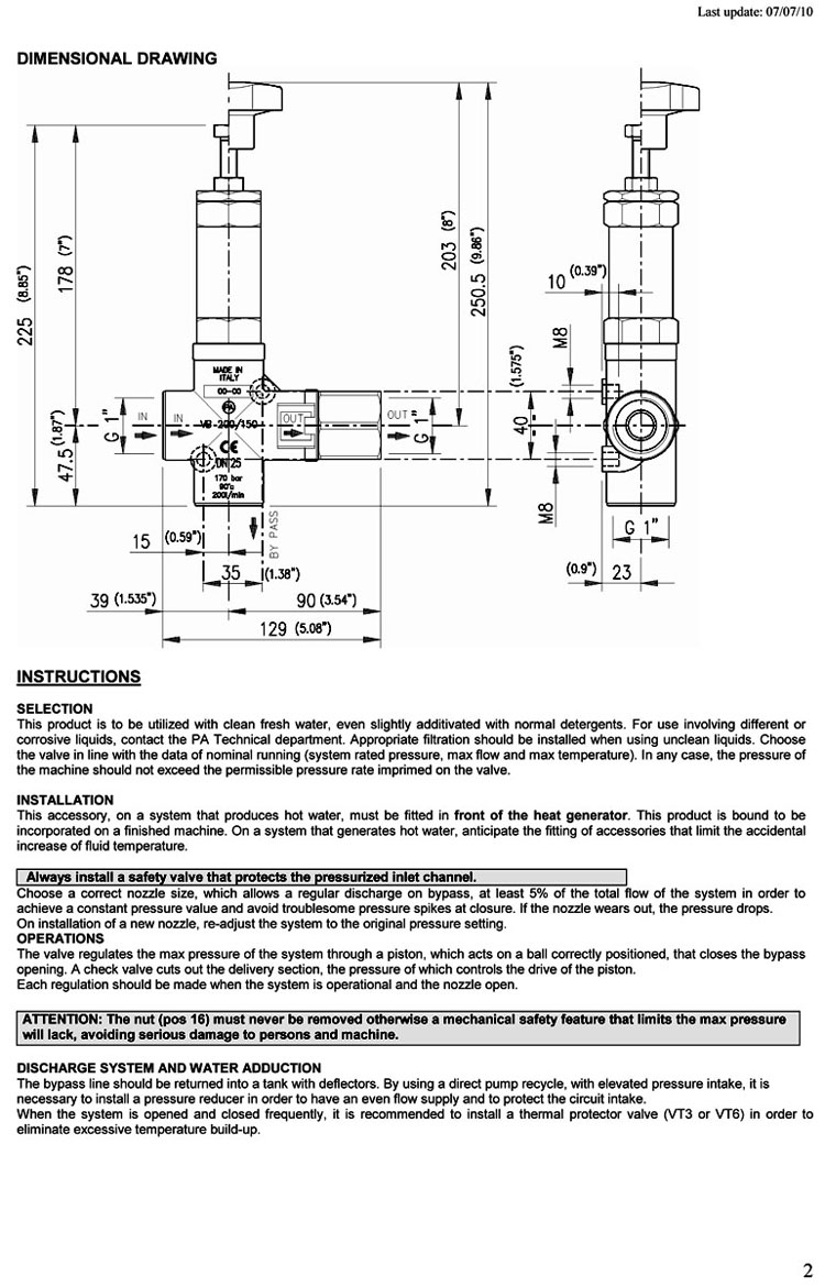
압력조절밸브 VB200/150
정 가
:
0원
판매가
:
0원
제조원
:
이태리-PA사
구매수량
:
압력(bar) : 150bar
토출량(l/min) : 200lpm
[2012-10-04]
빠른 배송을 위한 주문시간
[2012-10-04]
모든 제품은 부과세 포함...
[2012-10-04]
각 지역의 협력업체를...